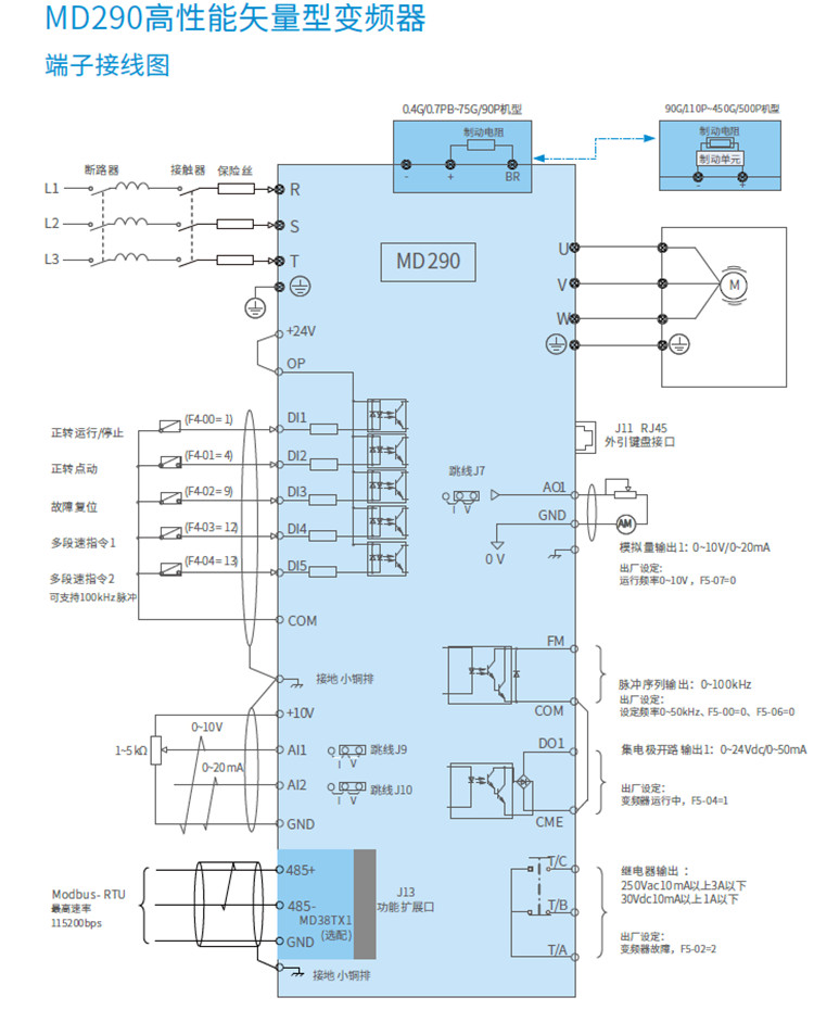
匯川變頻器MD290系列
電話:13818569113
郵箱:13818569113@139.com
網址:http://www.sc-shutong.cn
地址:上海市青浦區北青公路7171號111室